-50℃M30非埋式耐低溫接近傳感器
- 安裝方式:非埋式
- 檢測距離:15mm
- 電源電壓:10…250V DC/AC
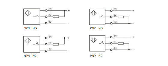
- 輸出方式:NPN/PNP NO/NC/NO+NC
- 開關點偏移:≤±10%
- 遲滯范圍:1…20%
凱基特耐高低溫接近開關用于高溫惡劣環境下檢測、定位以及計數等,探頭可以經受-50℃介質溫度。本產品由于在高溫-50℃環境中穩定進行,具有高可靠性、短路、極性反接保護,因此廣泛應用于鋼鐵、冶金、玻璃以及化纖廠輸送管道等相關制造行業。同時可滿足在低溫嚴寒環境下檢測金屬或非金屬的要求。

| ● 能檢測各種金屬物體 | 直流兩線常開 |
| ● 具有浪涌、過載、短路、逆極性保護功能 | 直流兩線常閉 |
| ● 外殼材料:鎳銅合金 | 直流三線NPN常開 |
| ● 防護等級IP67(IEC) | 直流三線NPN常閉 |
| ● 耐溫:-50℃ | 直流三線PNP常開 |
| 直流三線PNP常閉 | |
| 交流兩線常開 | |
| 交流倆線常閉 |

| 產品型號 | KJT-J30DW |
| 安裝方式 | 非埋式 |
| 檢測距離 | 15mm |
| 工作環境溫度 | -50℃~﹢75℃ |
| 外形規格 | M30*1*60 |
| 工作電壓 | 10-36V DC/90-250VAC |
| 漣波 | <10% |
| 空載電流 | <10mA |
| 最大負載電流 | 180mA |
| 電壓降 | ≤1.5V |
| 開關頻率 | 150Hz |
| 遲滯 | <15(Sr) |
| 過載保護電流 | 200mA |
| 短路保護 | YES |
| 重復精度 | <3.0%(Sr) |
| 溫度漂移 | <10%(Sr) |
| 響應時間 | 0.1ms |
| 連接方式 | 2m硅膠線 |
| 防護等級 | IP67 |
| 感應面材質 | PTFE(特氟龍) |
| 外殼材質 | 銅鍍鎳 |
| EMC | RFI>3V/M / EFT>1KV / ESD>4KV(contact) |
| 沖擊/震動 | IEC 60947-5-2,Part7.4.1 / IEC 60947-5-2,Part7.4.2 |





