B40方形非埋電容式接近開關
- ●:采用不銹鋼、塑料或PTFE外殼的電容式傳感器
- ●:多種結構、外殼材料和物美價廉的規格可供選擇 匹配和設置十分簡單
- ●:自粘型號,固定方便靈活
- ●:用于探測塑料顆粒、谷物、飼料/木料顆粒、油品、含水液體、酸、堿、導電粉塵等材料的填充位
●電容式接近傳感器
電容式接近傳感器可用無接觸的方式來檢測任意一個物體.電容式接近開關能檢測金屬物體,也能檢測非金屬物體,不管被檢測物體顏色和表面狀態如何,是否透明,都可以可靠檢測,靈敏度可調旋鈕,對密閉的非金屬容器內的液體,粉體等材料可進行間接檢測.幾乎可以識別所有的材料.
●工作原理
電容式接近開關亦屬于一種具有開關量輸出的位置傳感器,首先需測量傳感器感應面電極和電路電位電極之間的電容,一個接近的物體影響這個電容器兩極之間的電場.該原理不僅適用于金屬物,也適用于非金屬物.電容式傳感器一般通過一個RC振蕩器工作,即使是一個很小的電容變化都會影響其振幅.然后集成電路將振幅換成開關信號,其靈敏度可以通過電位器調節.

| 安裝方式 | 非埋式 |
| 檢測距離 | 20/40mm |
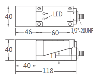
| 外形規格 | 118*40*40 |
| 輸出方式 | NPN/PNP/NO/NC |
| 電源電壓 | 10-30VDC |
| 開關頻率 | 100Hz |
| 開關點諞移 | ≤±10% |
| 回差范圍 | 3…20% |
| 重復精度 | ≤3% |
| 負載電流 | ≤200mA |
| 殘留電壓 | ≤2.5V |
| 消耗電流 | ≤15mA |
| 保護回路 | 浪涌過載短路,逆極性保護 |
| 輸出指示 | 黃色LED |
| 環境溫度 | -25..60C |
| 環境濕度 | 35-95% |
| 防護等級 | IP67 |
| 外殼材料 | PBT |
| 接線方式 | 2米PVC電纜 |







