KJT-FJ18系列光電速度開關
- 反射方式:漫反射 反射板式 對射式
- 光源:紅外線LED(880nm)
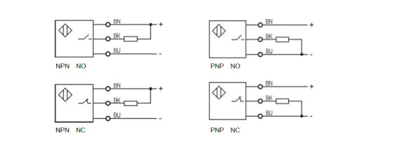
- 輸出方式:NPN PNP AC(二線)
- 電源電壓:12…24VDC 90-250VAC
- 響應時間:≤1ms
- 重復精度:≤5%
凱基特光電式速度傳感器,是自主研發、生產的多功能型光電式速度傳感器產品,融光電轉換電路、放大電路、邏輯處理電路和驅動輸出電路為一體。與國外同類產品比較具有功能更多且價格低的優勢,與國內同類產品比較具有響應快、精度高、質量穩定的特點。適應于機器人、自動化生產線、車床、機械手及機械臂組件、食品加工設備、印刷設備及其它工業機械設備等。

| 外形規格 | M18*61.5 |
| 反射方式 | 漫反射 反射板式 對射式 |
| 檢測距離 | 30cm 50cm 70cm 1M 1.5M 2M 2M 5M 10M |
| 光源 | 紅外線LED(880nm) |
| 輸出方式 | NPN PNP AC(二線) |
| 電源電壓 | 12…24VDC 90-250VAC |
| 響應時間 | ≤1ms |
| 重復精度 | ≤5% |
| 負載電流 | ≤100mA |
| 壓降 | ≤2.5V |
| 消耗電流 | ≤25mA |
| 保護回路 | 浪涌、逆極性保護 |
| 輸出指示 | 黃色LED |
| 環境溫度 | -15…55℃ |
| 環境濕度 | 35-95% |
| 防護等級 | IP67 |
| 外殼材料 | ABS/PC 銅鍍鎳 |
| 接線方式 | 2米 PVC 電纜 |






